碳钢内衬胶快开式毛发收集器-水泵系列
过滤系统

碳钢内衬胶快开式毛发收集器-水泵系列

产品简介

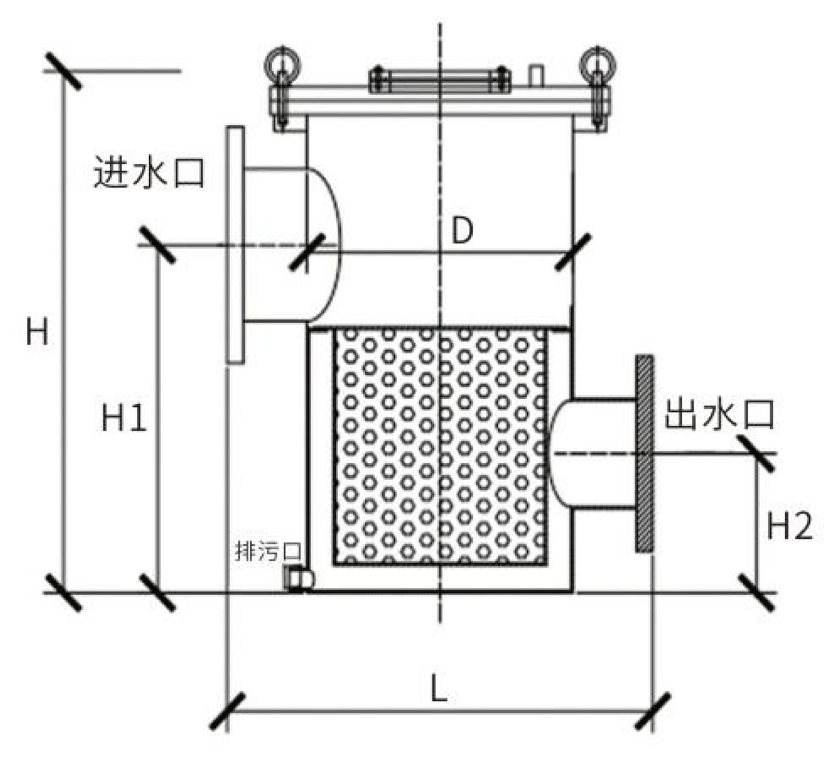
泳池水处理必不可少的预处理装置,以筛网或带有孔眼的滤筒截留水中的较大颗粒的固体杂质通过,避免杂质损伤水泵叶轮,或进入过滤器阻塞滤料层影响过滤效率和出水水质。 ...

服务保障

免费配送
免费安装
2年质保
专业售后

产品特点:

快开式设计;

顶部观察视窗;

316 L不锈钢提篮式过滤筒,便于清理;

过滤筒眼总面积:大于2.5倍接管截面积。

WL-CSPF系列碳钢内衬胶快开式毛发收集器参数表.png

WL-CSPF系列碳钢内衬胶快开式毛发收集器结构图.png

需要专业的选型建议?

我们的技术顾问可以根据您的泳池规模和特点,为您推荐最适合的过滤系统方案

技术顾问在线

陈工程师

陈工程师

泳池设备专家|15年经验

在线咨询

服务热线

18326037575

工作时间: 全年365天24小时在线

相关产品推荐